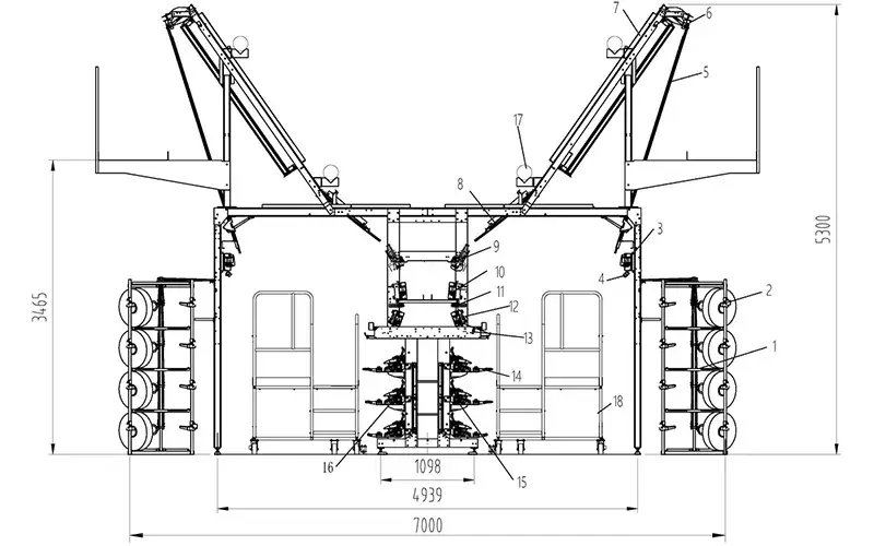
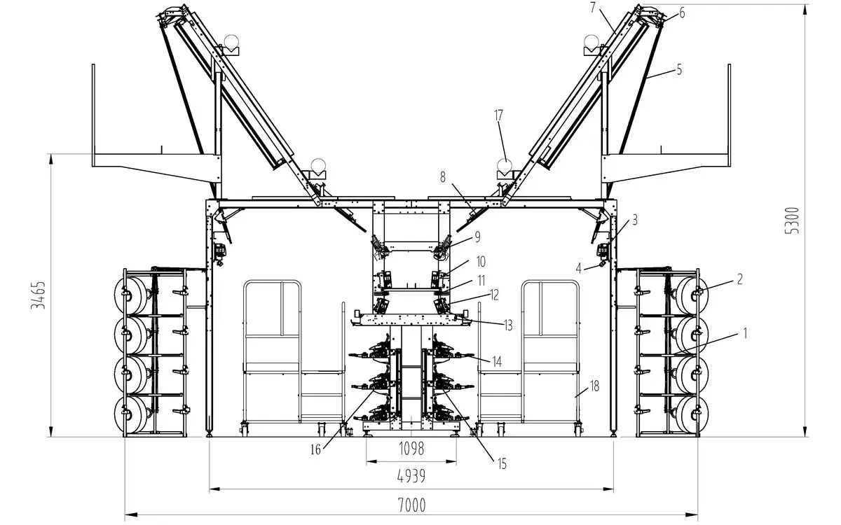
DTY Texturing Machine JGT1200HN

The DTY texturing machine is designed for processing polyamide (nylon) POY into high-elasticity nylon DTY through drawing and false-twist texturing. During operation, JGT1200HN carries out drawing and texturing in a continuous process, transforming nylon POY into textured yarn with greater stretch, bulk, and resilience.
This nylon DTY false twist texturing machine adopts a godet structure, which is suitable for processing fine denier yarns. The disc-based drafting system provides more precise control of yarn tension and movement during processing, helping to maintain stable production conditions while supporting consistent yarn quality.
JGT1200HN is suitable for processing yarns in the 20D to 200D range. These yarns are commonly used in products such as lightweight sun-protection garments and premium underwear.
| Number of Spindles | Number of Sections | Installed Power | Dimensions (with Fixed Creel) | |||
| Main Drive | Up Heater | Auxiliary Power | Total Power | |||
| 288 | 12 | 128.5kW | 81.6kW | Approx. 6kW | 216.1kw | 21880×7000 ×5300mm |
| 312 | 13 | 139.4kw | 88.4kW | 233.8kw | 23320×7000 ×5300mm | |
| 336 | 14 | 152.3kw | 95.2kW | 253.5kw | 24760×7000 ×5300mm | |
| 360 | 15 | 156.1kw | 102kW | 264.1kw | 26200×7000 ×5300mm | |
| 384 | 16 | 185.1kw | 108.8kW | 299.9kw | 27640×7000 ×5300mm | |
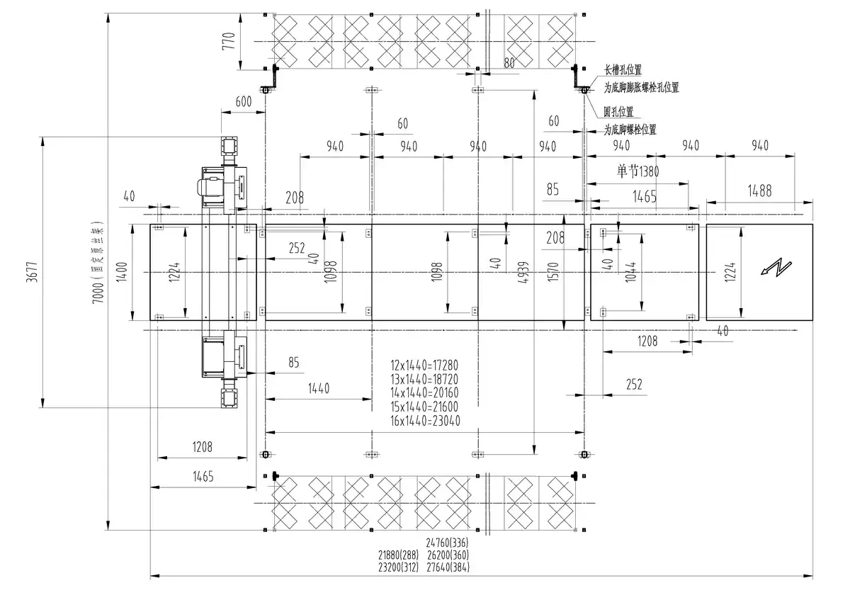
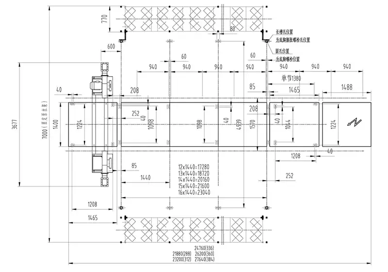
| Spindle Pitch | 110mm | |||||
| Max. Mechanical Speed | 1000m/min | |||||
| Applicable Material/Yarn Count Range | Nylon(Polyamide)/22–222 dtex (20–200 denier) | |||||
| Section Pitch | 1440mm | |||||
| False-Twist Texturing Method | Stacked disc type VIII (friction false twist) | |||||
| Friction Disc Size | Ø49.62×6mm | |||||
| Max. Speed of False-Twist Unit | 18000r/min | |||||
| Twist Direction | S/Z adjustable | |||||
| Primary Heater (Texturing Heater) | Biphenyl vapor-phase heating, 2000mm | |||||
| Texturing Heater Temperature Range | 160-250℃ | |||||
| Cooling Plate Length | 1100mm (natural cooling) | |||||
| Friction Roller Diameter | Ø100mm | |||||
| Feed Roller Diameter | Ø60mm | |||||
| Oiling Roller Diameter | Ø30mm | |||||
| Max. Feed POY Package Size | Ø435×250mm | |||||
| Max. Take-up Package Size | Ø250×245mm | |||||
| Standard Package Weight | 5kg | |||||
| Take-up Paper Tube Size | Ø69ר57×290mm | |||||
-
False TwisterThe DTY texturing machine uses a stacked disc VIII false-twister spindle assembly. Configurations from 1-4-1 to 1-7-1 are available. Ceramic friction discs (Ø49.62 × Ø12 × 6 mm) with 0.5 mm spacing are used together with ceramic inlet guides and slotted outlet discs to maintain stable yarn processing.
-
Winding SystemA newly designed bobbin holder and winding system is used with an updated control algorithm that improves winding precision by three times. It keeps winding speed variation within one rotation. Three independent oil grooves and an integrated oiling roller help maintain stable winding and consistent package formation.









