False Twist Texturing Machine JGT1000E

These false twist texturing machines are used to process polyester POY into low-stretch DTY through drawing and false-twist texturing. These DTY machines are equipped with upper and lower stacked-disc false twisters driven by belts, which help keep rotation stable, speed even, and processing accuracy consistent during production.
At each spindle position, S-twist and Z-twist yarns are combined and processed together in one step, so the finished yarn has no residual torque. This setup is suitable for coarse two-end processing and can handle DTY up to 600D. A double W2 roller structure is also used to improve interlaced yarn processing and help maintain finished yarn quality.
Suitable for combined yarn processing in the 300D to 600D range, with typical applications in fabrics for curtains and tents.
| Number of Spindles | 264 | 288 | 312 | |
| Number of Sections | 11 | 12 | 13 | |
| Installed Power | Main Drive | 196kW | 203.8kW | 232.4kW |
| Up Heater | 110kW | 120kW | 130kW | |
| Down Heater | 26.4kW | 28.8kW | 31.2kW | |
| Auxiliary Power | Approx. 6kW | |||
| Total Power | 332.2kW | 358.6kW | 399.6kW | |
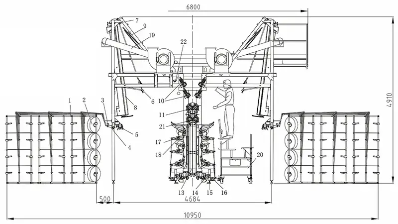
| Dimensions (with Fixed Creel) | 20440×10950×4910mm | 21880×10950×4910mm | 23320×10950×4910mm | |
| Spindle Pitch | 110mm | |||
| Max. Mechanical Speed | 1000m/min | |||
| Applicable Material/Yarn Count Range | Polyester/55–333 dtex×2 (max. 450D×2) | |||
| False-Twist Texturing Method | Double-layer stacked disc type VIII (friction false twist) | |||
| Primary Heater (Texturing Heater) | Biphenyl vapor-phase heating, 2500mm (160-250℃) | |||
| Secondary Heater (Setting Heater) | Biphenyl vapor-phase heating, 1460mm (160-250℃) | |||
| Cooling Plate Length | 2100mm (natural cooling) | |||







