False Twist Texturing Machine JGT1000H

Designed for polyester DTY production, this model of false twist texturing machines can process polyester POY through drawing and false-twist texturing to produce low-stretch DTY. Spandex can be fed into the machine and combined with DTY during processing, so the composite yarn is formed on the same line. When an air nozzle is added as an option, DTY processing and spandex interlaced yarn production can be completed in one step.
As an upgraded full-godet model based on the JGT 1000V texturing machine, it features fully replaced godets with the W3 roller remains unchanged. Furthermore, a pneumatic yarn lifter is available as an option, and specialized rotary oil roller ceramic parts can also be optionally fitted for precision fine-yarn processing.
Ideal for combining spandex with DTY, these machines can complete texturing and spandex interlacing in one process through an air nozzle. Typical applications include fabrics used for chiffon dresses and shirts.
| Number of Spindles | Number of Sections | Installed Power (kW) | Dimensions (mm) | |||||
| Main Drive | Up Heater | Down Heater | Auxiliary Power | Total Power | Fixed Creel | Rotary Creel | ||
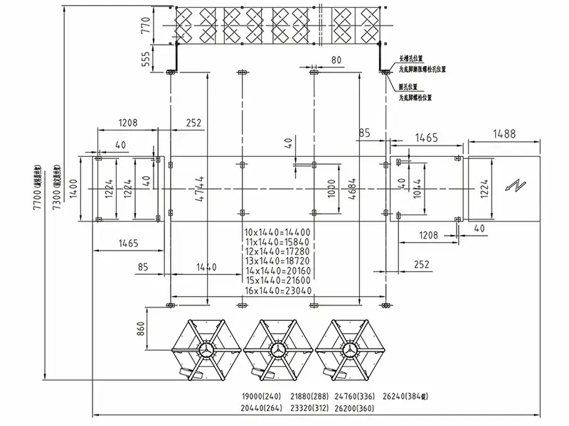
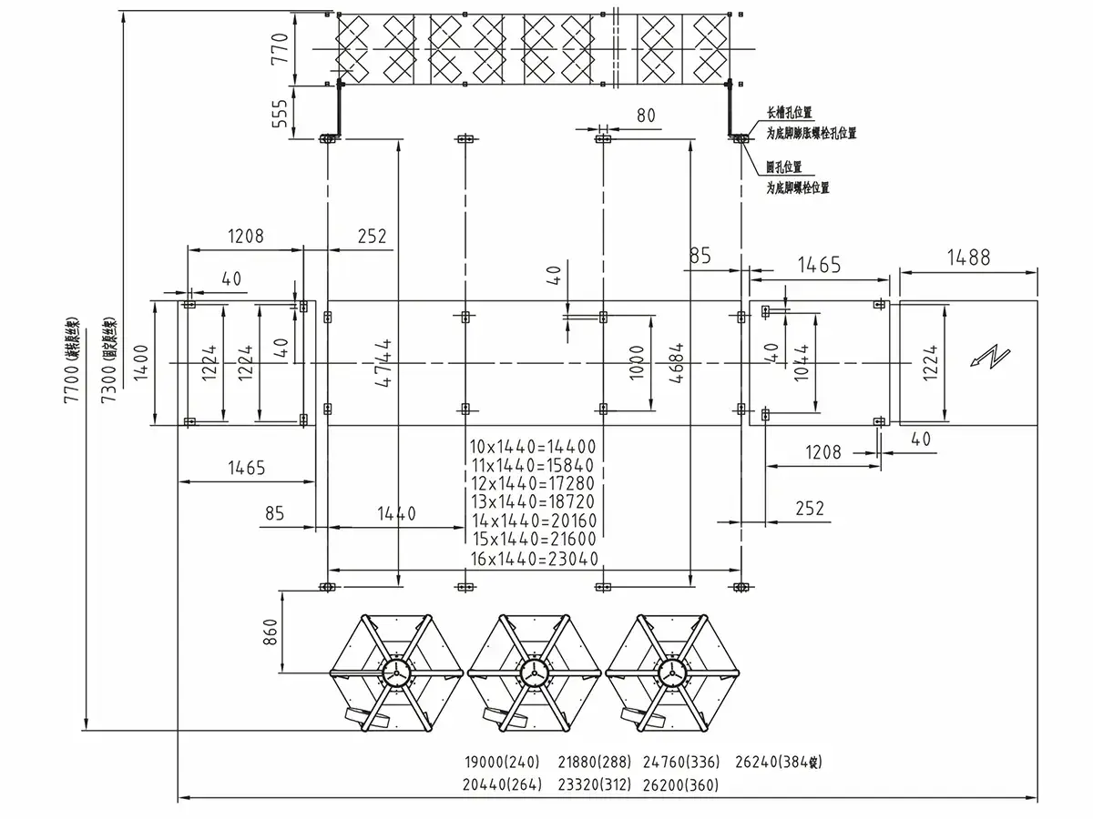
| 264 | 11 | 123.7 | 74.8 | 26.4 | Approx. 6 | 230.9 | 20440×7300×5760 | 20440×7700×5760 |
| 288 | 12 | 126.5 | 81.6 | 28.8 | Approx. 6 | 242.9 | 21880×7300×5760 | 21880×7700×5760 |
| 312 | 13 | 146 | 88.4 | 31.2 | Approx. 6 | 271.6 | 23320×7300×5760 | 23320×7700×5760 |
| 336 | 14 | 152.9 | 95.2 | 33.6 | Approx. 6 | 287.7 | 24760×7300×5760 | 24760×7700×5760 |
| 360 | 15 | 155.8 | 102 | 36 | Approx. 6 | 299.8 | 26200×7300×5760 | 26200×7700×5760 |
| 384 | 16 | 164.7 | 108.8 | 38.4 | Approx. 6 | 317.9 | 27640×7300×5760 | 27640×7700×5760 |
| Spindle Pitch | 110mm | ||||||
| Max. Mechanical Speed | 1000m/min | ||||||
| Applicable Material/Yarn Count Range | Polyester/55–222 dtex (50–200 denier) | ||||||
| Section Pitch | 1440mm | ||||||
| False-Twist Texturing Method | Stacked disc type VIII (friction false twist) | ||||||
| Friction Disc Size | Ø52(Ø52.5)×9mm | ||||||
| Max. Speed of False-Twist Unit | 18000r/min | ||||||
| Twist Direction | S/Z adjustable | ||||||
| Primary Heater (Texturing Heater) | Biphenyl vapor-phase heating, 2000mm | ||||||
| Secondary Heater (Setting Heater) | Biphenyl vapor-phase heating, 1460mm | ||||||
| Texturing Heater Temperature Range | 160-250℃ | ||||||
| Setting Heater Temperature Range | 160-250℃(low temperature 100-160℃) | ||||||
| Cooling Plate Length | 1100mm (natural cooling) | ||||||
| Friction Roller Diameter | Ø100mm | ||||||
| Feed Roller Diameter | Ø75mm | ||||||
| Oiling Roller Diameter | Ø75mm | ||||||
| Spandex Feed Roller Diameter | Ø25mm | ||||||
| Spandex Draft Ratio | 1.5-4 | ||||||
| Max. Feed POY Package Size | Ø435×250mm | ||||||
| Max. Take-up Package Size | Ø250×250mm | ||||||
| Standard Package Weight | 5kg | ||||||
| Take-up Paper Tube Size | Ø69ר57×290mm | ||||||
-
Optional Spandex Feeding DeviceAn optional spandex feeding device uses an independent motor at each spindle position, so every spandex yarn is fed more steadily. It works together with the yarn sensing and cutting system, which stops feeding as soon as a yarn break is detected to help reduce material waste. Independent A/B side control also helps keep drafting more even.
-
D2x Godet StructureFeaturing a unique double-godet design, the D2x godet structure enables each spindle is powered by an independent motor to eliminate slippage between the yarn and the godet surface. It is especially suitable for fine denier, multi-hole, and friction-sensitive yarns, while also helping maintain more even yarn quality and reduce component wear.







