False Twist Texturing Machine JGT1000M
Used for polyester DTY production, this type of false twist texturing machine processes polyester POY into low-stretch DTY through drawing and false-twist texturing. When fitted with an air nozzle, it can also be used for interlaced yarn production. This configuration is generally suitable for coarse denier yarns above 200D. A 2-meter upper heater helps keep energy consumption lower, while the machine layout is designed for easier operation and a more practical yarn path. Single-belt and double-belt drive options are both available to match different processing needs.
Ceramic inlet and outlet discs are used to guide the yarn more smoothly during processing. Different disc layouts, from 1-4-1 to 1-7-1, can be selected according to production needs. For the working discs, customers can choose between PU discs and soft ceramic discs. W1, W2, and W3 use a leather roller structure supported by aluminum alloy brackets.
Suitable for processing coarse denier yarns above 200D. Typical end uses include windbreakers and jackets.
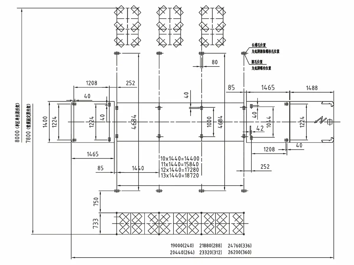
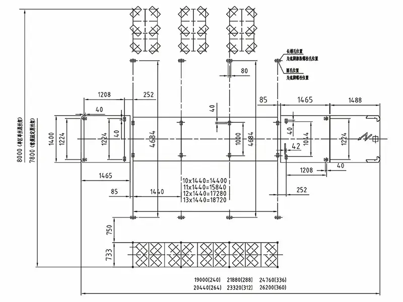
| Number of Spindles | 264 | 288 | 312 | 336 | 360 | |
| Number of Sections | 11 | 12 | 13 | 14 | 15 | |
| Installed Power (kW) | Main Drive | 110.5 | 110.5 | 131 | 131 | 137 |
| Up Heater | 74.8/88 | 81.6/96 | 88.4/104 | 92.5/112 | 102/120 | |
| Down Heater | 26.4 | 28.8 | 31.2 | 33.6 | 36 | |
| Auxiliary Power | Approx. 6 | |||||
| Total Power | 217.7/230.9 | 226.9/241.3 | 256.7/272.2 | 265.9/282.7 | 281/299 | |
| Dimensions (with Fixed Creel) (mm) | M Type | 20440×7800×4160 | 21880×7800×4160 | 23320×7800×4160 | 24760×7800×4160 | 26200×7800×4160 |
| F Type | 20440×7000×4930 | 21880×7000×4930 | 23320×7000×4930 | 24760×7000×4930 | 26200×7000×4930 | |
| Spindle Pitch | 110mm | |||||
| Max. Mechanical Speed | 1000m/min | |||||
| Applicable Material/Yarn Count Range | Polyester/167–333 dtex (150–300 denier) | |||||
| Section Pitch | 1440mm | |||||
| False-Twist Texturing Method | Stacked disc type VIII (friction false twist) | |||||
| Max. Speed of False-Twist Unit | 18000r/min | |||||
| Twist Direction | S/Z adjustable | |||||
| M Type Primary Heater (Texturing Heater) | Biphenyl vapor-phase heating, 2000/2500mm | |||||
| F Type Primary Heater (Texturing Heater) | Biphenyl vapor-phase heating, 2500mm | |||||
| Secondary Heater (Setting Heater) | Biphenyl vapor-phase heating, 1460mm | |||||
| Texturing Heater Temperature Range | 160–250 ℃ | |||||
| Setting Heater Temperature Range | 160–250 ℃ | |||||
| Cooling Plate Length | 2100mm (natural cooling) | |||||
| Friction Roller Diameter | Ø100mm | |||||
| Feed Roller Diameter | Ø75mm | |||||
| Oiling Roller Diameter | Ø75mm | |||||
| Max. Feed POY Package Size | Ø435×250mm | |||||
| Max. Take-up Package Size | Ø250×250mm | |||||
| Standard Package Weight | 5kg | |||||
| Take-up Paper Tube Size | Ø69ר57×290mm | |||||
-
HeaterThe upper heater has a new structural layout with a lower operating height, making daily operation easier and giving the yarn a more practical path through the machine. Both the first heater and the second setting heater use vapor-phase heating, and both include automatic yarn cutting when over-temperature protection is triggered.
-
False TwisterThe false twister uses a stacked disc VIII design and can be fitted with either single-belt or double-belt drive. Ceramic inlet discs and slotted outlet discs are included, while PU and soft ceramic working discs are available. Disc arrangements from 1-4-1 to 1-7-1 can also be selected.








