False Twist Texturing Machine JGT1000D

Designed for polyester DTY (drawn textured yarn) production, these false twist texturing machines process polyester POY through drawing and false-twist texturing to produce low-stretch DTY. They are suitable for yarns up to 600D and are designed for higher-output production.
To achieve this, two creels and an additional false twister are added, so S-twist and Z-twist yarns can be fed and processed together at each spindle position. This allows the two yarns to be combined directly in one step to produce zero-torque yarn. Compared with the usual method of producing the yarn separately and combining it later, this setup can double output.
Suitable for two-end processing of 50D to 300D yarns, which are used in jeans and sports pants production.
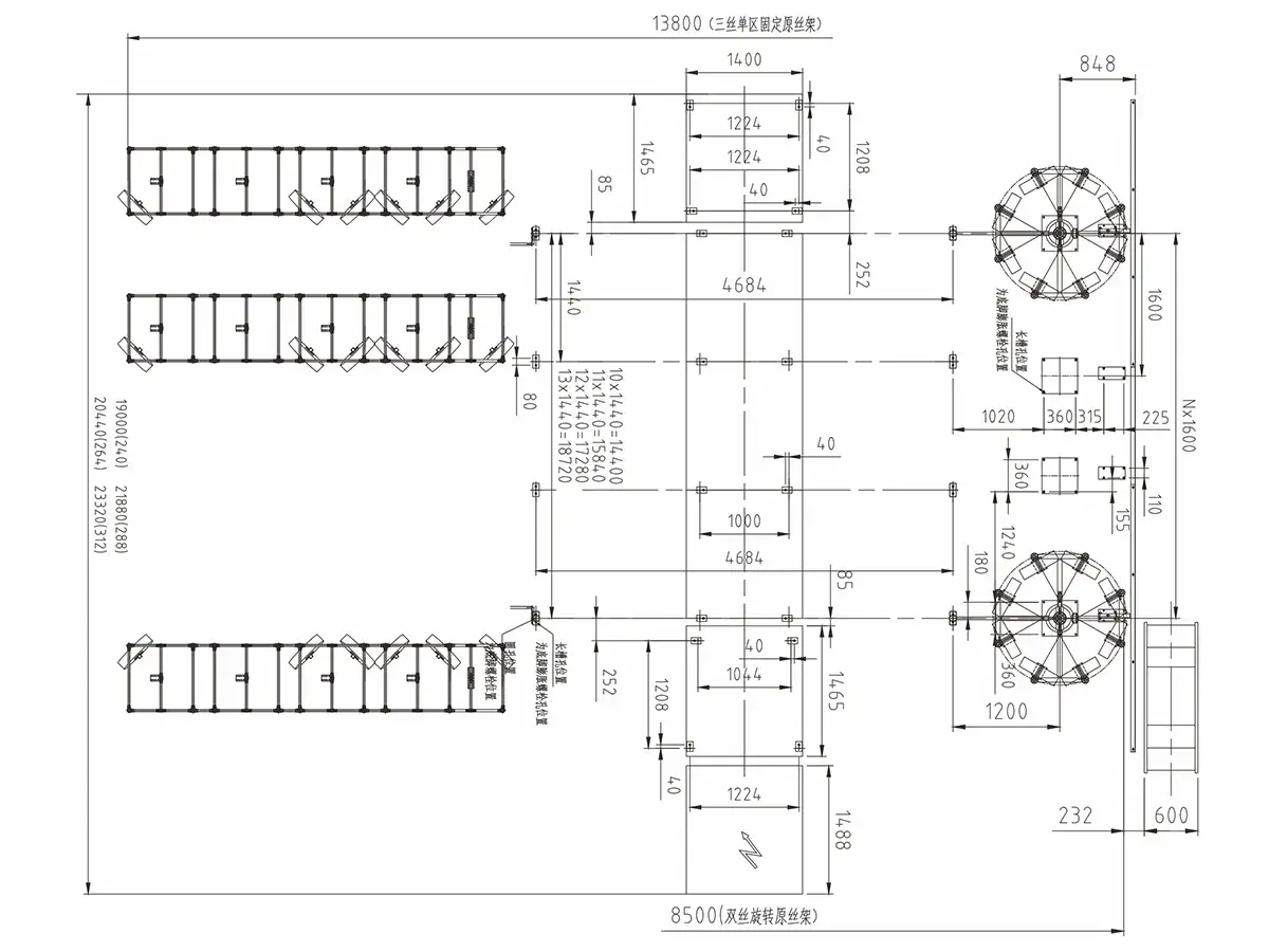
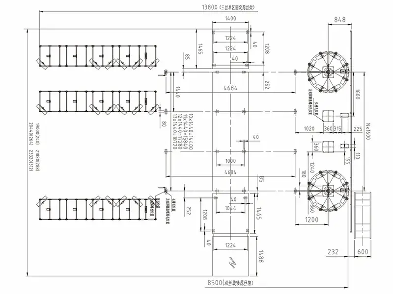
| Number of Spindles | 240 | 264 | 288 | 312 | |
| Number of Sections | 10 | 11 | 12 | 13 | |
| Installed Power (kW) | Main Drive | 158.8 | 191.7 | 216 | 237.3 |
| Up Heater | 80 | 88 | 96 | 104 | |
| Single Down Heater | 24 | 26.4 | 28.8 | 31.2 | |
| Double Down Heater | 32 | 35.2 | 38.4 | 38.4 | |
| Auxiliary Power | Approx. 6 | ||||
| Total Power (with Single Down Heater) | 268.8 | 312.1 | 346.8 | 369.8 | |
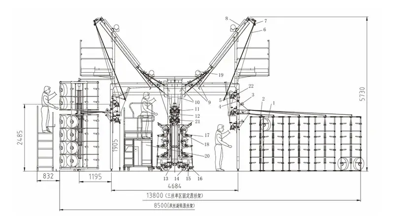
| Dimensions (mm) | 3-end Creel (Single Zone) | 19000×13800×5730 | 20440×13800×5730 | 21880×13800×5730 | 23320×13800×5730 |
| Rotary Creel | 19000×8500×5730 | 20440×8500×5730 | 21880×8500×5730 | 23320×8500×5730 | |
| Spindle Pitch | 110mm | ||||
| Max. Mechanical Speed | 1000m/min | ||||
| Applicable Material/Yarn Count Range | Polyester/55–333 dtex×2 | ||||
| Section Pitch | 1440mm | ||||
| False-Twist Texturing Method | Double-layer motorized spindle stacked disc type (friction false twist) | ||||
| Friction Disc Size | Ø52 (Ø52.5)×9mm | ||||
| Max. Speed of False-Twist Unit | 18000r/min | ||||
| Twist Direction | One layer of S-twist + one layer of Z-twist | ||||
| Primary Heater (Texturing Heater) | Biphenyl vapor-phase heating, 2000mm | ||||
| Secondary Heater (Setting Heater) | Biphenyl vapor-phase heating, 1460mm (optional: double down heater) | ||||
| Texturing Heater Temperature Range | 160–250 ℃ | ||||
| Setting Heater Temperature Range | 160-250℃ (low temperature 100-160℃) | ||||
| Cooling Plate Length | 1100mm (natural cooling) | ||||
| Friction Roller Diameter | Ø100mm | ||||
| Feed Roller Diameter | Ø75mm | ||||
| Oiling Roller Diameter | Ø75mm | ||||
| Max. Feed POY Package Size | Ø435×250mm | ||||
| Max. Take-up Package Size | Ø250×250mm | ||||
| Standard Package Weight | 5kg | ||||
| Take-up Paper Tube Size | Ø69ר57×290mm | ||||









