False Twist Texturing Machine JGT1000VH

For polyester DTY production, this texturing machine processes POY through drawing and false-twist texturing to produce low-stretch DTY. Based on the JGT1000V texturing machine, an extra W0 roller is added, allowing W0 and W1 to process POY and FDY together to produce DTY with a more cotton-like texture and appearance.
Upper and lower heaters with biphenyl vapor-phase heating provide precise temperature control and include automatic over-temperature protection. This helps support even dyeing and consistent yarn quality. These draw texturing machines are equipped with PLC and touchscreen control system, which makes parameter setting and production monitoring easier, while also supporting networked management. High-quality electrical components further help maintain stable running performance.
JGT1000VH is intended for fine denier yarns below 200D, which is a suitable choice for products like underwear and loungewear.
| Number of Spindles | Number of Sections | Installed Power | Dimensions (with Fixed Creel) |
||||
| Main Drive | Up Heater | Down Heater | Auxiliary Power | Total Power | |||
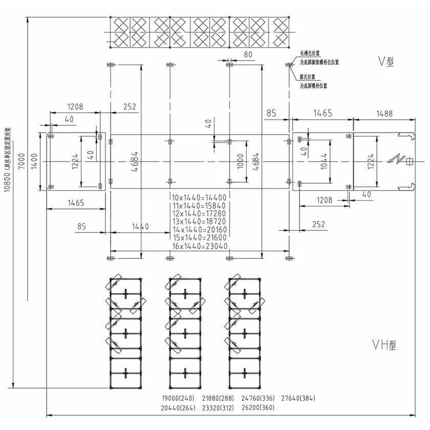
| 264 | 11 | 107.5kW | 74.8kW | 26.4kW | Approx. 6kW | 214.7kW | 20440×7000×5360mm |
| 288 | 12 | 110.5kW | 81.6kW | 28.8kW | Approx. 6kW | 226.9kW | 21880×7000×5360mm |
| 312 | 13 | 122.3kW | 88.4kW | 31.2kW | Approx. 6kW | 247.9kW | 23320×7000×5360mm |
| 336 | 14 | 131kW | 95.2kW | 33.6kW | Approx. 6kW | 265.8kW | 24760×7000×5360mm |
| 360 | 15 | 131kW | 102kW | 36kW | Approx. 6kW | 275kW | 26200×7000×5360mm |
| 384 | 16 | 134kW | 108.8kW | 38.4kW | Approx. 6kW | 287.2kW | 27640×7000×5360mm |
| Spindle Pitch | 110mm | ||||||
| Max. Mechanical Speed | 1000m/min | ||||||
| Applicable Material/Yarn Count Range | Polyester/55–222 dtex (50–200 denier) |
||||||
| Section Pitch | 1440mm | ||||||
| False-Twist Texturing Method | Stacked disc type VIII (friction false twist) |
||||||
| Max. Speed of False-Twist Unit | 18000r/min | ||||||
| Twist Direction | S/Z adjustable | ||||||
| Primary Heater (Texturing Heater) |
Biphenyl vapor-phase heating, 2000mm | ||||||
| Secondary Heater (Setting Heater) |
Biphenyl vapor-phase heating, 1460mm | ||||||
| Texturing Heater Temperature Range | 160–250 ℃ | ||||||
| Setting Heater Temperature Range | 160–250 ℃ (optional: 100–160 ℃ low-temperature biphenyl heating) |
||||||
| Cooling Plate Length | 1100mm (natural cooling) |
||||||
| Friction Roller Diameter | Ø100mm | ||||||
| Feed Roller Diameter | Ø75mm | ||||||
| Oiling Roller Diameter | Ø75mm | ||||||
| Max. Feed POY Package Size | Ø435×250mm | ||||||
| Max. Take-up Package Size | Ø250×250mm | ||||||
| Standard Package Weight | 5kg | ||||||
| Take-up Paper Tube Size | Ø69ר57×290mm | ||||||
-
HeaterEach texturing machine is equipped with two heaters. The first heater and the second setting heater both use vapor-phase heating, with temperature control accuracy of ±1°C. An over-temperature alarm and automatic yarn cutting function also help improve dyeing uniformity and maintain yarn quality.

- Creel
- W1 Yarn Sensor
- W1 Interlacing Unit
- W1 Yarn Cutter
- W1 Roller
- Yarn Pusher Rod
- Twist Stopper
- Upper Heater
- Cooling Plate
- False Twister
- W2 Roller
- Interlacing Unit
- Lower Heater
- W3 Roller
- W3 Yarn Sensor
- Oiling Roller
- Friction Roller
- Grooved Drum
- Suction Pipe
- Trolley
- W3 Interlacing Unit
- W0 Dual Yarn Sensor
- W0 Roller
- W0 Yarn Cutter















