DTY Texturing Machine JGT1200XN

Designed for nylon DTY production, JGT1200XN processes polyamide (nylon) POY through drawing and false-twist texturing to produce low-stretch nylon DTY with stable crimp and controlled elasticity.
A spandex feeding unit is integrated into the traditional roller system that allows the nylon DTY machine to combine spandex yarn with nylon DTY directly during processing. Through an air nozzle, the false-twist texturing machine completes texturing and spandex interlacing in a single step, producing nylon air-covered yarn for elastic textile applications.
JGT1200XN is suitable for processing yarns in the 20D to 200D range. These yarns are commonly used in products such as sports underwear and yoga apparel.
| Number of Spindles | Number of Sections | Installed Power | Dimensions (with Fixed Creel) |
|||
| Main Drive | Up Heater | Auxiliary Power | Total Power | |||
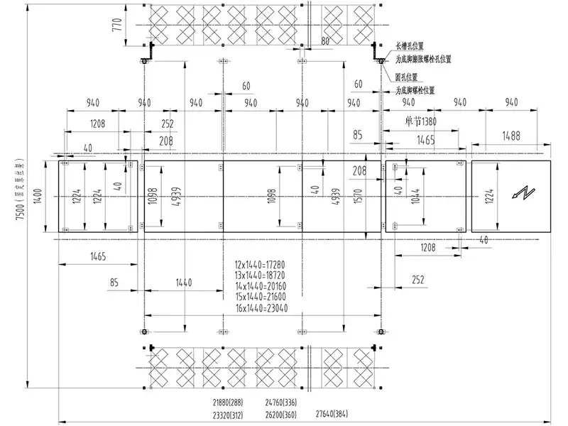
| 288 | 12 | 126kW | 81.6kW | Approx. 6kW | 213.6kW | 21880×7500 ×5300mm |
| 312 | 13 | 138.6kW | 88.4kW | 233kW | 23320×7500 ×5300mm | |
| 336 | 14 | 159.4kW | 95.2kW | 260.6kW | 24760×7500 ×5300mm | |
| 360 | 15 | 160.4kW | 102kW | 268.4kW | 26200×7500 ×5300mm | |
| 384 | 16 | 176.9kW | 108.8kW | 291.7kW | 27640×7500 ×5300mm | |
| Spindle Pitch | 110mm | |||||
| Max. Mechanical Speed | 1000m/min | |||||
| Applicable Material/Yarn Count Range | Nylon(Polyamide)/22–222 dtex (20–200 denier) | |||||
| Section Pitch | 1440mm | |||||
| False-Twist Texturing Method | Stacked disc type VIII (friction false twist) | |||||
| Max. Speed of False-Twist Unit | 18000r/min | |||||
| Twist Direction | S/Z adjustable | |||||
| Primary Heater (Texturing Heater) | Biphenyl vapor-phase heating, 2000mm | |||||
| Texturing Heater Temperature Range | 160-250℃ | |||||
| Cooling Plate Length | 1100mm (natural cooling) | |||||
| Friction Roller Diameter | Ø100mm | |||||
| Feed Roller Diameter | Ø75mm | |||||
| Oiling Roller Diameter | Ø30mm | |||||
| Spandex Feed Roller Diameter | Ø100mm | |||||
| Spandex Draft Ratio | 1.5-4 | |||||
| Max. Feed POY Package Size | Ø435×250mm | |||||
| Max. Take-up Package Size | Ø250×245mm | |||||
| Standard Package Weight | 5kg | |||||
| Take-up Paper Tube Size | Ø69ר57×290mm | |||||
-
Spandex Feeding UnitEquipped with a spandex feeding unit driven by an independent motor for each spindle, each spandex yarn is controlled separately, while the A/B sides can be adjusted independently. This keeps the spandex feed stable and allows the drafting process to remain even during composite yarn production.
-
Winding SystemA newly designed bobbin holder and winding system is adopted, with an updated control algorithm. The winding precision is improved threefold, keeping winding speed variation within one rotation. Three independent oil grooves and an integrated oiling roller help maintain stable winding and consistent package formation.







